Elotec Orion Installasjon og Konfigurasjon
Elotec Orion alarmsender registreres, installeres og aktiveres på en enkel og brukervennlig måte. Registrering av alarmsender gjøres enkelt via Elotec Kundeportal (portal.elotec.no). Her får du oversikt over dine tilgjengelige enheter og velger enkelt den aktuelle enheten du skal registrere. Skjemaet er dynamisk og tilpasser seg inntastet data, i tillegg er systemet integrert mot offentlige registre og du får dermed hjelp med innfylling og verifisering av data. Skjemaet blir sendt til sluttbruker når utfylt for bekreftelse før alarmsenderen aktiveres og registreringsforespørsel sendes til det betjente alarmmottaket.
Nyttige lenker til andre sider
- Skal det være overføring til kun app, eller i parallel med et betjent alarmmottak?
Overføring til app er alltid tilgjengelig uavhengig av overføring til alarmmottak. - Hvem er sluttbruker, ansvarlig for objektet og abonnementet?
- Angi kontaktpersoner for objektet, personer tilknyttet objektet og som er autorisert til å handle på vegne av sluttbruker.
- Hvor befinner objektet seg og informasjon om objektet.
- Beskrivelse av installasjonen (fysisk plassering og dato for installasjon/aktivering).
- Konfigurasjon av inngangene, hvilke hendelser skal brukes for de ulike inngangene?
Til slutt sendes skjemaet til epostadressen som ble oppgitt til primær kontaktperson i skjemaet. Denne personen må bekrefte informasjonen og akseptere abonnementet.
Når det valgte alarmmottaket har bekreftet registreringen vil installatør bli varslet slik at sluttkontroll med verifisering av overføring helt inn til alarmmottaket.
Hvis sluttbruker har et eksisterende abonnement som Elotec Orion skal erstatte, har vi tilrettelagt med en ferdig utfylt epost som sluttbruker selv sender, denne er tilgjengelig etter bekreftelse av det nye abonnementet.
- Installatør kjøper ORION-63E alarmsendere for å ha i servicebil eller på lager
- Ved utsending linkes de unike enhetene mot installasjonsfirmaet og blir tilgjengelig i Elotec Kundeportal
- Installatør plukker en av sine alarmsendere og starter registreringsskjemaet for den aktuelle alarmsenderen i Elotec Kundeportal
- Tast inn navnet på foretaket, dette matches opp mot Brønnøysundregistrene for automatisk utfylling videre i skjemaet.
- Informasjon om objektet fylles ut i dialog med sluttbruker
- Konfigurasjon av alarmsenderen fylles ut basert på hvordan det skal kobles opp mot alarmsentral.
OBS! Noen hendelser sendes til alarmmottak og andre ikke, se informasjon om dette i registreringsskjemaet. - Verifiser skjemaet og send det til sluttbruker for godkjenning, skjemaet blir sendt til epostadressen som ble oppgitt for primær kontakt for sluttbruker.
Hvis installatør ikke kjenner alle detaljer rundt objektet kan disse feltene stå åpne for at sluttbruker kan fylle dem inn selv. - Sluttbruker bekrefter skjemaet, eventuelt gjør endringer i skjemaet ved behov.
- Installatør mottar varsel i Elotec Kundeportal om at skjemaet er bekreftet samtidig som skjemaet sendes videre til det valgte alarmmottaket.
- Under alarmmottakets registreringsprosess kan sluttbruker og installatør bli bekreftet direkte for å avklare eventuelle detaljer og kontrakt.
- Når alarmmottaket har fullført sin registreringsprosess vil de bekrefte via Elotec Kundeportal at det er klart for overføring mot dem.
- Aktivering av overføring gjøres ved å kontakte Elotec Kundesenter eller Support.
Til informasjon jobber vi med å utvide funksjonaliteten i Elotec Kundeportal slik at installatør selv kan aktivere og deaktivere alarmoverføring til alarmmottaket i en selvbetjent løsning. - Når alarmoverføringen er aktiv kontaktes det aktuelle alarmmottaket på deres servicetelefon.
OBS! Noe ulik behandlingstid hos de ulike alarmmottakene, se oversikt under, med forventet antall dager. Alarmsentral vil bekrefte via Elotec Kundeportal når det er klart for ende-til-ende test. Vi anbefaler å planlegge installasjon av alarmsender når besøk på anlegget planlegges, på denne måten kan alarmsenderen installeres og ende-til-ende testes på et og samme besøk. Husk at sluttbruker må bekrefte skjemaet etter utfylling.
1 virkedager 110 Midt-Norge
1 virkedager 110 Finnmark
2 virkedager Alarmsentralen Telemark
2 virkedager 110 Agder
2 virkedager 110 Øst
3 virkedager Alarm 24
3 virkedager 110 Oslo
3 virkedager 110 Sør-Øst
3 virkedager 110 Sør-Vest
3 virkedager 110 Vest
5 virkedager 110 Troms
5 virkedager 110 Salten Brann
5 virkedager 110 Møre og Romsdal
5 virkedager 110 Innlandet
5 virkedager Alarmsentralen Florø
5 virkedager Avarn Security
5 virkedager Nordmøre og Romsdal Brann og Redning
5 virkedager Securitas AS
Tips til montasje av alarmsender i brannalarmsentraler
Vi anbefaler montasje inne i brannalarmsentralen, på sideveggen, øverst til venstre. Her vil alarmsenderen være ute av veien for kabling, godt beskyttet og kort vei for tilkobling til brannalarmsentralens utganger.
Monter gjerne med borrelås-tape, da vil alarmsenderen også enkelt kunne løftes ut for enda enklere tilgang ved behov.
Eksempel på kobling mot sentral med brann, foralarm og service.
Dette er for innganger registrert uten overvåkning (EOL). OBS! hvis EOL er aktivert, vil mangel på endemotstand forårsake feil hendelser på inngangen. Tips! se eksempel på konfigurasjon og kobling med EOL lenger ned på siden under "Digitale innganger og bruk av EOL overvåkning".

Vi anbefaler montasje inne i brannalarmsentralen, bak hovedkortet inne i brannalarmsentralen. OBS! ved demontasje av hovedkortet må man passe på at skrujern, skruer eller lignende ikke skader hovedkortet, ved håntering av hovedkortet skal man overholde ESD sikkerhet ved å holde i kantene av kortet, aldri direkte på kretskortet eller komponenter. Ved feil håndtering vil skade kunne inntreffe, Elotec er ikke ansvarlige hvis dette eventuellt skulle skje.
Dette er for innganger registrert uten overvåkning (EOL). OBS! hvis EOL er aktivert, vil mangel på endemotstand forårsake feil hendelser på inngangen. Tips! se eksempel på konfigurasjon og kobling med EOL lenger ned på siden under "Digitale innganger og bruk av EOL overvåkning".
Vi anbefaler montasje inne i brannalarmsentralen, i bakdel ved siden av kretskort og strømforsyning. Alarmsender bør plasseres med størst mulig avstand til strømforsyning for å unngå støy.
OBS! Ved bruk av feilrelé til å varsle service på brannalarmsentralen, må konfigurasjonen i sentralen endres for relé, fra "Fault relay safe" til "Fault relay".
Eksempel på kobling mot sentral med brann og service.
Dette er for innganger registrert uten overvåkning (EOL). OBS! hvis EOL er aktivert, vil mangel på endemotstand forårsake feil hendelser på inngangen. Tips! se eksempel på konfigurasjon og kobling med EOL lenger ned på siden under "Digitale innganger og bruk av EOL overvåkning".

Vi anbefaler montasje inne i brannalarmsentralen, bak hovedkortet inne i brannalarmsentralen, på høyre side. OBS! ved demontasje av hovedkortet må man passe på at skrujern, skruer eller lignende ikke skader hovedkortet, ved håntering av hovedkortet skal man overholde ESD sikkerhet ved å holde i kantene av kortet, aldri direkte på kretskortet eller komponenter. Ved feil håndtering vil skade kunne inntreffe, Elotec er ikke ansvarlige hvis dette eventuellt skulle skje.
Eksempel på kobling mot sentral med brann og service.
Dette er for innganger registrert uten overvåkning (EOL). OBS! hvis EOL er aktivert, vil mangel på endemotstand forårsake feil hendelser på inngangen. Tips! se eksempel på konfigurasjon og kobling med EOL lenger ned på siden under "Digitale innganger og bruk av EOL overvåkning".

Vi anbefaler montasje inne i brannalarmsentralen, på sideveggen, øverst til venstre. Her vil alarmsenderen være ute av veien for kabling, godt beskyttet og kort vei for tilkobling til brannalarmsentralens utganger.
Ved montasje med medfølgende borrelås-tape, vil alarmsenderen også enkelt kunne løftes ut for enda enklere tilgang ved behov.
Eksempel på kobling mot sentral med brann, forvarsel og service.
Dette er for innganger registrert uten overvåkning (EOL). OBS! hvis EOL er aktivert, vil mangel på endemotstand forårsake feil hendelser på inngangen. Tips! se eksempel på konfigurasjon og kobling med EOL lenger ned på siden under "Digitale innganger og bruk av EOL overvåkning".

Vi anbefaler montasje inne i brannalarmsentralen, bak hovedkortet inne i brannalarmsentralen. OBS! ved demontasje av hovedkortet må man passe på at skrujern, skruer eller lignende ikke skader hovedkortet, ved håntering av hovedkortet skal man overholde ESD sikkerhet ved å holde i kantene av kortet, aldri direkte på kretskortet eller komponenter. Ved feil håndtering vil skade kunne inntreffe, Elotec er ikke ansvarlige hvis dette eventuellt skulle skje.
Dette er for innganger registrert uten overvåkning (EOL). OBS! hvis EOL er aktivert, vil mangel på endemotstand forårsake feil hendelser på inngangen. Tips! se eksempel på konfigurasjon og kobling med EOL lenger ned på siden under "Digitale innganger og bruk av EOL overvåkning".
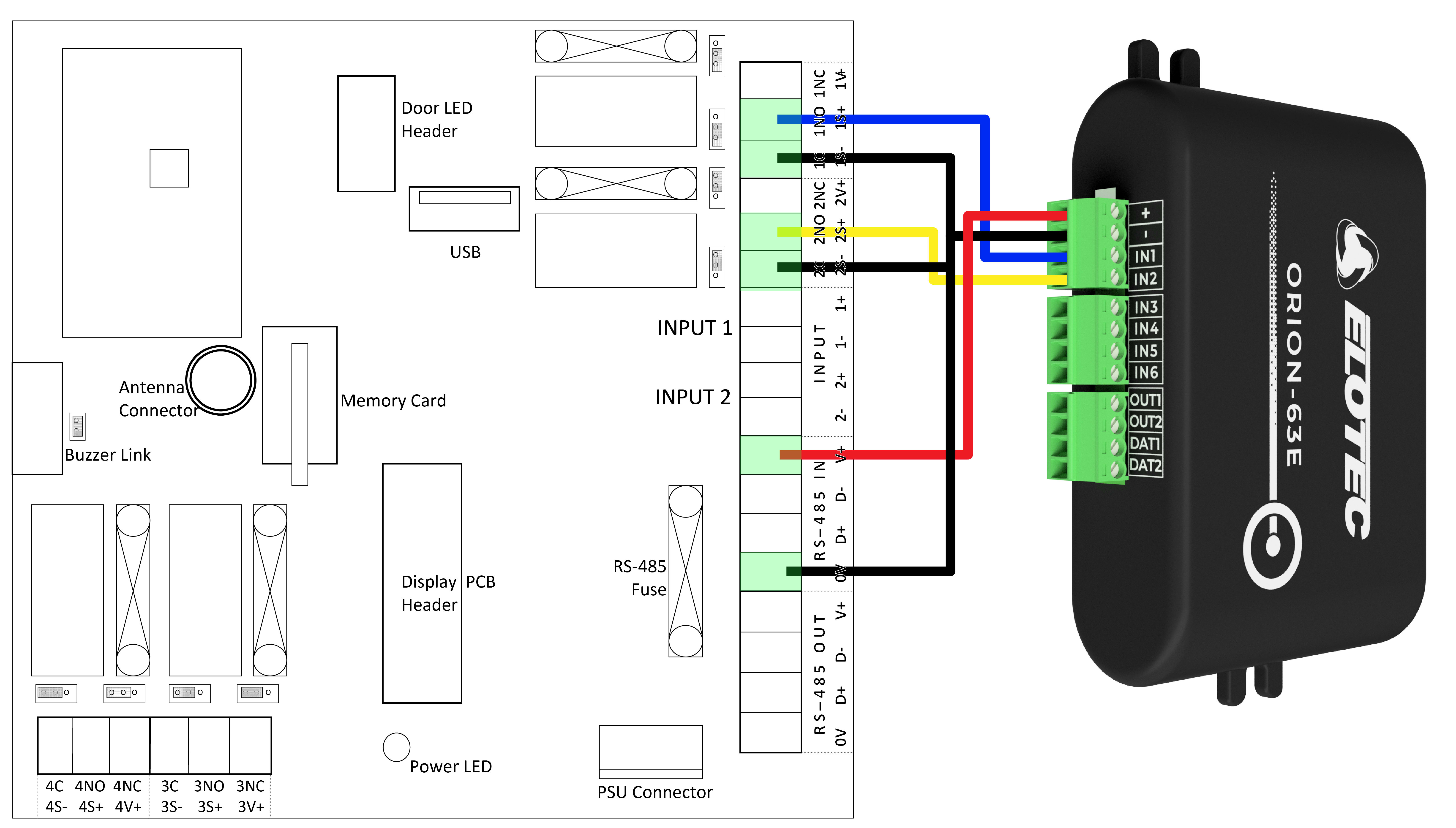
Kobling av innganger og utganger
Inngangene er digitale innganger med pullup og aktiveres ved kobling mot GND.
Inngangene kan brukes uten overvåkning eller med end of line motstand, vi anbefaler bruk av EOL for å øke sikkerheten på tilkoblinger. Ved å montere en motstand i parallel med utgangen på brannvarslingsystemet vil man selv ved normalt åpne utganger kunne verifisere at tilkoblingen er i orden.
Se eksemple på kobling med de ulike metodene under:

Eksempel på EOL (overvåkning med endeleddsmotstander) tilkobling mot M40 sentral:

Eksempel på konfigurasjon i Elotec Orion

Utgangene er digitale utganger, ofte omtalt som "common collector output". Disse fungere ved at når aktivert, kobles utgangen mot GND og det kan gå strøm gjennom dem.
Se eksempel på kobling av utgangene under:

Relét i ORION-63E er potensialfritt og kan brukes som en utgang til å kontrollere signaler for andre systemer, eller til å veksle for en funksjon (NO/NC og COM).
Tilkobling av seriell kommunikasjon - ESPA
Alarmsenderen ORION-63E støtter seriell kommunikasjon med ESPA protokollen. For Elotec M-serie brannvarslingsystemer er ESPA integrert mot SIA og f.eks. alarmhendelser blir dermed gjenkjent og varslet på korrekt måte. Tilkobling gjøres mot DAT1 (til Tx) og DAT2 (til Rx). Ved bruk av ESPA er det viktig at enhetsteksten blir skrevet korrekt og logisk skrevet. Fullverdig integrasjon av ESPA kommer i M-serie firmware versjon 1.4.4.
Ved bruk av ESPA på Elotec M-Serie kreves en serial interface kort (J-NET-INT-232). Kortet monteres inne i brannvarslingssentralen og tilkobles en av kommunikasjonskanalene, for eksempel er ofte CH3 ledig på større anlegg. I tillegg kreves firmware v.1.4.3 eller nyere installert på sentralen.
ESPA kommunikasjon aktiveres i M sentralen i innstillingene under meny 8-5-6. For den aktuelle kanalen som skal brukes aktiveres følgende: "SHORT MSG TYPE: 4 ADD: 01"

For ORION-63E aktiveres ESPA ved å ta kontakt med Elotec Kundesenter.
Tilkobling mellom ORION-63E og serial interface kortet i M-Serie sentralen gjøres som følgende. OBS! Husk også GND forbindelse mellom "-" på alarmsenderen og GND på interface kortet.

Oppsett av varsling i Elotec Orion app
Elotec Orion-appen gir deg oversikt over alle hendelser fra Orion alarmsendere. Appen gir deg tilgang til alle utgangene på Orion alarmsenderen og lager en logg slik at du har full kontroll over tidligere alarmer og hendelser. Nedenfor finner du en gjennomgang av hvordan du sikrer varsler fra appen på din smarttelefon.
Elotec Orion-appen behøver tillatelse fra din telefon for å kunne gi deg varsler om alarmer og hendelser. Dette konfigurerer du etter å ha lastet ned og installert appen. Du kan velge å få tre typer varsler fra Elotec Orion:
Alarmer – sendes når en alarmhendelse trigges.
Problemer – sendes når det er kommunikasjonsfeil, servicekode på brannalarmsentralen eller lignende.
Informasjon – generell, ikke kritisk informasjon om endringer eller hendelser.
Ansvar rundt brannvarslingsystemet og alarmoverføring
Kunde er ansvarlig for drift, vedlikehold og kontroll av brannvarslingssystemet, og at systemet til enhver tid er forskriftsmessig utført. Ved arbeid på og i nærheten av systemet er det kunde som også er ansvarlig for utkobling. Ved utkobling av overføring til alarmmottak er alltid overføring til bruker via app aktiv. Brukere av bygget skal få opplæring i hva som skal gjøres for å forhindre unødvendig utløsning av brannalarm, samt hva som skal gjøres ved utløst alarm.
En viktig del av dette er at alarmsender er online og fungerer sammen med brannalarmsentralen. Ved unødvendig utrykning vil brannvesenet kunne fakturere et gebyr til anleggseier. Kunde er ansvarlig for å utføre tiltak etter eventuell unødvendig utrykning for å forhindre at det skjer gjentatte ganger.
Kunden har ansvar for at endringer meldes uten forsinkelse til Elotec AS og 110-sentralen. Ved varsling om endringer til Elotec, vil Elotec videreformidle dette til 110-sentralen. Dette omhandler blant annet, men ikke begrenset til, faktureringsinformasjon, kontaktinformasjon og kontaktpersoner, endringer i brannvarslingssystemet, bygningsmasse og bruk som kan ha innvirkning på alarmoverføring, abonnementet eller brannvesenets innsats.
Av sikkerhetsmessige hensyn kan noen endringer kun utføres/forespørres av primær kontaktperson hos sluttbruker. Dette omfatter blant annet firma, fakturainformasjon og kontaktpersoner. Endring av andre deler av den registrerte informasjonen kan utføres av tilknyttet installatør, eventuelle endringer som blir utført vil bli varslet til primærkontakt hos sluttbruker umiddelbart.
FAQ
eSIM er et digital integrert SIM-kort som ligger i kretskortet til alarmsenderen.
eSIM følger enheten og aktiveres sammen med alarmsenderen. Det kreves ikke noe eget abonnement for eSIM, dette er en del av abonnementet for alarmsenderen. Vårt eSIM støtter roaming, noe som betyr at alarmsenderen vil til enhver tid benytte seg av det best tilgjengelige signalet uavhengig av hvilken mobiloperatør det måtte være, dette sikrer best mulig dekning uansett hvor alarmsenderen blir montert.
Ja, Elotec Orion kan benyttes sammen med de aller fleste alarmsystemer, så lenge det er et eller flere relésignaler som kan trigge en av inngangene. Alternativt kan også ESPA benyttes, eventuelt i tillegg.
Ja, så lenge systemet har bruker ESPA protokollen skal det kunne brukes. Elotec M-Serie er integrert og ESPA hendelser er mappet til SIA for å gi korrekt overføring. For å eventuelt bruke andre systemer med ESPA kan det være aktuelt å gjøre en ny mapping konfigurasjon da ulike produsenter bruker ulike adresser og koder, ta kontakt med Elotec for å gå videre med dette.
Varsling til Elotec Orion-app er alltid inkludert for alle Orion alarmsendere (ORION-63E, ORION-42E-B og ELO-IOT42).
Appen brukes uten ekstra kostnad og man kan fra appen dele tilgang til en alarmsender med flere brukere.
Ja, alle alarmsendere må registreres i Elotec Kundeportal.
Alarmsenderen blir tilgjengelig i Kundeportal for installatør med en gang enheten er pakket hos Elotec.
Ja, installatør starter utfylling av registreringsskjemaet og vi anbefaler at det gjøres i samråd med sluttbruker.
Installatør behøver ikke å fyllet ut hele skjemaet hvis sluttbruker ikke er tilgjengelig, flere av feltene er ikke obligatorisk for installatør og kan fylles ut av sluttbruker før han/hun bekrefter registreringen.
